

Nuestros Productos
Diseño, fabricación, instalación y mantenimiento de Tableros y Sub -
Estaciones Eléctricas:
. Sub - estaciones compactas (media-transformación-baja)
. Centros de Distribución de Potencia (media y baja tensión)
. Ductos de barras no segregados
. Tableros de control
.
Tableros de compensación reactiva
. Pupitres de mando
.
Tableros de protecciones eléctricas
. Transferencias manuales o automáticas
. Tableros de distribución y alumbrado
. Centro de Control de Motores
Del diseño mecánico al ensamblaje
Realizados en Autocad, SPI, Inventor y Sketchup

Planos de Fabricación Mecánica


Diseño Eléctrico
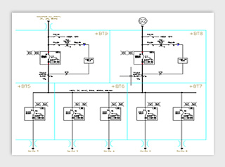
Mediante herramientas de diseño computarizado (Etap y Autocad), nuestros ingenieros realizan los planos unifilares, trifilares, funcionales y de cableado según normas ANSI o DIM, de acuerdo al requerimiento de nuestros clientes.

Fabricación Metalmecánica
Nuestra planta de fabricación posee maquinaria con tecnología de
control numérico para la elaboración de las piezas que componen
las sub - estaciones. Todas las piezas son fabricadas según planos
de diseño. Poseemos sistema de pintura electrostática.

Ensamblaje
El proceso de ensamblaje y barreado se efectúa
de acuerdo a los planos de diseño.

Barreado
El sistema de barras podrá ser desnudo, plateado,
pintado o
mangueado de acuerdo a los requerimientos del cliente.
Para su ensamblaje se utiliza tornillería galvanizada grado 8.8
y aisladores de resina epóxica.

Cableado
Realizado según plano de cableado utilizando cable tipo
instalación 105 grados, identificaciones termocontraibles
y demás accesorios para lograr un cableado estético y funcional.
Instalación y puesta en servicio
Realizamos la instalación, pruebas y puesta en servicio de las sub - estaciones eléctricas.
